Podnośnik z grzechotką RZC sprawdzi się w wariancie z wykorzystaniem łańcucha z ogniw o nośności w zakresie 0,8 do 6,3t. Doskonale nada się do przemysłu górniczego, budownictwa czy leśnictwa i będzie przydatnym elementem do działań takich jak:
– podnoszenie i holowanie ciężarów
– wszelkie prace montażowe, manewrowe
– napinanie ogrodzeń
– różnego rodzaju prace ratownicze
Do jego zalet należą:
– wytrzymała konstrukcja
– odporność na trudne warunki
– minimalne wymagania konserwacyjne
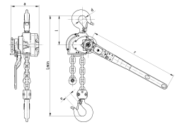
| Typ | Nośność (t) |
Ilość łańcuchów nośnych | Łańcuchdo ciężaru | Siła sterowania (N) |
Prędkość * podnoszenia (m/min) |
Wymiary główne (mm) | Ciężar (kg) |
Przyrost ciężaru na 1m wysokości podnoszenia (kg) |
|||||
|---|---|---|---|---|---|---|---|---|---|---|---|---|---|
| a | d | e min |
l | L min |
r | ||||||||
| RZC | 0,8 | 1 | Ø 5 x 15 | 400 | 1,27 | 145 | 36 | 23,5 | 145 | 327 | 560 | 8,4 | 0,55 |
| 1,6 | 1 | Ø 9 x 27 | 370 | 0,52 | 165 | 43 | 29,5 | 160 | 380 | 560 | 16 | 1,84 | |
| 3,2 | 1 | Ø 11 x 31 | 400 | 0,37 | 173 | 50 | 35,5 | 223 | 417 | 560 | 21 | 2,73 | |
| 5 | 2 | Ø 11 x 31 | 300 | 0,18 | 173 | 56 | 42 | 242 | 630 | 560 | 34 | 5,46 | |
| 6,3 | 2 | Ø 11 x 31 | 400 | 0,18 | 173 | 63 | 48 | 265 | 650 | 560 | 40 | 5,46 | |
| * obliczono przy założeniu 48 ruchów dźwignią ręczną na minutę. (1 cykl = ruch dźwignią ręczną z jednego skrajnego położenia do drugiego skrajnego położenia i z powrotem) |
|||||||||||||




